影響離心泵安全穩定運行的重要因素分析——本文分別從偏工況運行、葉輪與蝸殼的匹配關系、轉子平衡、軸系結構和機座基礎強度等方面入手,對離心泵振動超標的原因進行分析,并提出了相應的防治措施。
泵作為一種重要的能量轉換裝置和流體輸送設備,廣泛應用于航空航天、核電站、城市供水、石油化工和船舶等國民經濟的各個領域。在一些重要場合,泵機組出現故障后,會帶來嚴重的經濟損失。由泵振動超標引發的故障在其中占了很大的比重,已成為影響離心泵安全穩定運行的重要因素。
1.振動級別的標準規定
在實際工程應用中,離心泵振動的評判標準主要采用GB/T29531。近年來,隨著API610的適用性擴大,各化工設計院多采用此標準中對離心泵振動的要求來考核供應商,其具體要求如表1所示。
表1離心泵常用振動測量標準
2.離心泵產生振動的原因
泵偏離工況點運行
泵運行工況點是由泵特性曲線H-Q和裝置特性曲線HZ-Q共同決定的。兩條的交點M即是泵的運行工況點,如圖1所示。

圖1離心泵運行工況點示意圖
1.大流量工況下對泵振動的影響
在裝置特性曲線HZ-Q不變的情況下,泵的運行工況點在M點,流量為QM,揚程為HM。當期望揚程增加到HA時,泵的特性曲線上移成H1-Q1時,工況點也從M點變成B點,此時工況點流量變成QB,揚程變成HB,此時流量和揚程分別增加了ΔQ1和ΔH1。泵的實際運行工況點偏移到大流量點,泵內流速增加,流阻損失也隨之增加,造成泵體內部流動不穩定,容易引起進口管路中的壓力脈動,引發振動。此外,還可能發生電機超載,導致泵壽命縮短。
2.小流量工況下對泵振動的影響
當揚程降低到HC時,泵的特性曲線降為H2-Q2時,工況點也從M點變成D點,此時工況點流量變成QD,揚程變成HD,此時流量和揚程分別減小了ΔQ2和ΔH2。長時間在小流量點運行,流速降低,介質在進口管路和葉輪進口處產生回流和預旋,導致泵的出口壓力出現有規律的周期性變化的現象,這種現象稱為喘振,會導致泵的振動明顯增大。
葉片與蝸殼間隙對泵振動的影響
葉輪葉片與蝸殼之間的徑向間隙值過小也可能是引起振動超標的主要原因之一。國外將這種 現象稱為“葉片流道綜合征(Vane passing syndrome)”。當介質流過該小通道時,液體的流速升高,液體壓力下降,當液體壓力降低至汽化壓力以下時,液體發生局部汽化,產生氣泡,氣泡在高壓下破裂,導致喉部發生汽蝕,引起泵的振動。
轉子不平衡引起的振動
當泵機組運轉時,轉子總是圍繞自己重心所在的軸線旋轉,當轉子重心和回轉中心不重合時,就會產生偏心質量。在高速旋轉的過程中,即使是很小的質量偏心,也會產生很大的偏心力,該偏心力作用于支撐軸承上,誘發軸承部位的振動。此外,轉子不平衡還會造成口環間磨損加劇,使得口環間隙增大,葉輪出口處的高壓液體經過間隙,回流到泵進口的低壓區,造成葉輪進口處介質流態穩定性變差,引起振動。
泵軸的剛性不足引起的振動
泵軸的作用是傳遞動力,支撐并帶動葉輪旋轉。泵軸的剛性不足,會導致其臨界轉速降低, 當臨界轉速數值等于轉子固有頻率的轉速時,在運行過程中會產生共振,并且軸的彎曲度明顯增大,致使轉子重心與回轉中心不重合,引發振動。
軸承原因引發的振動
軸承是機泵設備的重要部件,在設備運行過程中一直處于高速旋轉狀態,起著連接固定件與轉 動件的作用。軸承潤滑油選型不當、變質、雜質含量超標及潤滑管路不暢導致的潤滑故障,會造成軸承工況惡化,引起振動;軸承安裝或冷卻方式不當,會影響軸承游隙,誘發機組振動。
機座基礎強度不足引起的振動
在化工流程泵中,連接管路一般都是鋼制管路,其產生的應力都會作用在泵的基礎上,如果 機座的基礎強度不夠,當支撐基礎的固有頻率接近機組的運行轉速時,會產生基礎共振,引起泵機組振動。此外,通常情況下泵座與底板之間采用螺栓連接,螺栓的強度不夠或者螺栓松動,也會引起振動。
機組同軸度不良產生振動
電機通過聯軸器將動力傳入泵轉子部件上帶動其旋轉。在裝配過程中對電機和泵的同軸度有 嚴格的精度要求,軸與電機聯軸器安裝止口配合間隙過大,導致電機軸與泵軸不對中,會破壞聯軸器工作的平衡狀態,引起機組振動。
3.防治措施
1.API610中規定,最佳效率點流量的70%~120%為泵的允許工作區,在泵選型過程中,嚴格參照泵的性能曲線進行選型,使泵的工況點盡量處于最優工況區,避免選型不當造成泵運轉過程中因長時間偏工況運行引起的振動;當用戶現場的工況發生改變時,通過切割葉輪外徑(圖2)改變泵特性曲線,在泵的出口管路安裝調節閥(圖3)改變裝置特性曲線等方法,調節泵的工況點。

圖2改變葉輪外徑

圖3調節閥調節
2.泵體蝸室多為螺旋形壓出室,隔舌與葉輪出口的徑向間隙是影響振動特征的一個重要參數。葉輪與隔舌間隙δ的計算公式如下:

其中D'2—切割后葉輪直徑mm;
D3—壓水室基圓直徑mm。
隨著徑向間隙的增加,泵內的壓力脈動幅值先急劇下降,至脈動幅值的4%后緩慢降低。但是由于間隙過大會使泵效率下降,因此需要通過計算分析,尋找一個較優的間隙值區間,在泵的效率損失不大的條件下,保證壓力脈動幅值的降低,減小振動。
3.為防止因泵軸彎曲造成的轉子不平衡,在機組長時間停機運行的情況下定期盤車檢查,每次將軸沿同一方向旋轉120?;此外由于葉輪的鑄造、加工制造等誤差,也會造成轉子不平衡量增大,為防止葉輪不平衡量過大產生振動,對泵的轉子部件按GB/T9239.1 G2.5級做動平衡試驗,通過切削葉輪的前后蓋板達到平衡葉輪的目的,切削量不得超過蓋板厚度的1/3。
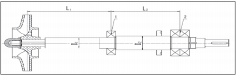
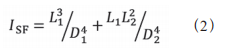
4.轉子剛性對于防治振動和提高泵的運轉穩定性非常重要,其中很重要的一點是提高軸的剛 性。為此,西安泵閥總廠有限公司專門申請了一項專利—提高懸臂式離心泵轉子剛性的結構(如圖4)。通過該專利的實施,軸的剛性至少可以提高20%以上。同時也解決了傳統懸臂式離心泵由于軸系剛性差導致的軸封壽命短,甚至出現共振現象,嚴重時造成破壞性事故的問題。

圖4懸臂式離心泵轉子剛性的結構
如圖4所示,API610 2010版的資料性附錄K中軸系的對撓性指數ISF用公式(2)定義為

5.定期檢查軸承的運轉情況是否良好,及時更換有損傷的軸承;合理的選擇潤滑劑和潤滑方法,定期更換潤滑劑改善軸承密封裝置,避免因潤滑不當造成軸承損壞,進而引發振動;軸承的冷卻應該采用冷卻油池而不是冷卻軸承外環,冷卻軸承外環會減小軸承的內間隙,導致軸承故障。
6.采用聯合焊接底座的形式(如圖5)以提高底座的強度,底座的結構尺寸滿足API610附錄D中標準底座的尺寸。與API標準底座相比,機座基礎由原來的泵座、底座分離式結構優化成整體式結構,避免因連接螺栓強度不足導致的振動。

圖5聯合焊接底座的形式
7.調整機組的同軸度,用千分尺測量聯軸器的軸向和徑向跳動。軸向最大允差控制在0.05mm的范圍內,徑向最大允差控制在0.1mm的范圍內。此外,聯軸器端面之間應留有所要求的間隙以保證兩軸在運轉過程中做限定的軸向移動。
4.結束語
綜上所述,造成泵振動的原因是多方面的,它與設備的選型、設計以及安裝工藝等都有很大的關系。在很多情況下,其實可以通過提高對水力的設計、加工和安裝質量,將機組振動控制在相關標準規定的范圍之內,保證裝置長期安全的運行。
來源:本文刊登于PROCESS《流程工業》2021年第1期《淺析離心泵振動的原因及防治措施》;文/ 程蕾 王輝 劉航泊,本文作者供職于西安泵閥總廠有限公司。











